LimePSB RPCM v1.2 Board
Introduction
LimePSB RPCM v1.2 Board Key Features
The LimePSB RPCM is carrier board for Raspberry Pi Compute Module 4 or 5 (CM4 or CM5) and mPCIe card (by default LimeSDR XTRX board). LimePSB RPCM carrier board provides a hardware platform for developing and prototyping high-performance designs based on Raspberry Pi CM4 or CM5, RF front end, clock network and mPCIe card. It allows user to use the board in SDR, LoRa and other applications.
Figure 1. LimePSB RPCM v1.2 board top view
Figure 2. LimePSB RPCM v1.2 board bottom view
LimePSB RPCM board features:
Connectors:
Raspberry CM4 and CM5 connector (dual row)
USB 2.0 Type-C socket (USB boot and power delivery)
Dual USB 3.0 (type A) socket (downstream ports) or Front Panel USB 2.0 header (unpopulated)
Ethernet jack (Gigabit Ethernet with PoE)
mini PCIe x1 Gen 2 (5Gbps)
2x HDMI 2.0 receptacle (up to 4Kp60 supported)
2x 15-pin FPC connectors for MIPI DSI display and CSI camera
3.5 mm 4-pin jack for analog audio and composite video
uSD card socket
Nano-SIM socket
Coaxial RF (4x SMA female + 4x U.FL female) connectors for RF front end
Coaxial pass-through U.FL to external SMA connector
20-pin Raspberry CM4 GPIO header (3.3V)
14-pin Raspberry CM4 SYS header
5-pin front display connector (power, I2C, button)
Raspberry CM4 UART0 header (unpopulated)
2-pin and 4-pin FAN connector (5V default or 3.3V or VCC_INT voltage)
RF front end:
Configuration: MIMO (2x TRX, 2x RX)
LNAs, PAs, RF switches, power and mode control (TDD and FDD)
Miscellaneous:
Board temperature sensor
FAN controller
EEPROM
Secure key storage, shift registers
RTC, ADC
USB 2.0 hub
Configuration dip switch
General user inputs/outputs:
4x general purpose Dual colour (RG) LEDs
20 pin CM4/5 GPIO header (3.3V)
Front button
Buzzer
Clock system:
30.72MHz (default) on board VCOCXO and 30.72/38.4/40.00MHz (optional) VCTCXOs
Possibility to tune on board XO by on-board DAC or by phase detector to match a reference clock input (e.g. 10MHz).
Reference clock/PPS input and output SMA connectors (EXT_SYNC_IN and EXT_SYNC_OUT)
Possibility to synchronize multiple boards using coaxial SMA connectors (EXT_SYNC_IN and EXT_SYNC_OUT)
Board size: 170mm x 110mm
Board power sources:
Barrel (9-14V, 2-3A)
USB Power Delivery (12V 1.5A or 2.5A)
PoE (12V, 2A)
For more information on the following topics, refer to the folowing documents:
Board Overview
The heart of the LimePSB RPCM carrier board is Raspberry PI Compute Module 4 or Compute Module 5 which may be used to transfer digital data between the CM4/5 and mPCIe board while performing data processing. The block diagram for LimePSB RPCM board is as shown in Figure 3.
Figure 3. LimePSB RPCM v1.2 carrier Board Block Diagram
LimePSB RPCM board picture with highlighted connectors and main components are presented in Figure 4 and Figure 5.
Figure 4. LimePSB RPCM v1.2 board top connectors and main components
Figure 5. LimePSB RPCM v1.2 board bottom connectors and main components
Board components are described in the Table 1.
Miscellaneous devices |
||
|---|---|---|
IC9 |
IC |
I²C temperature sensor LM75 |
IC10/IC11 |
IC |
I²C EEPROM Memory 128Kb (16K x 8), connected to RF transceiver I2C bus |
IC13/IC14 |
IC |
I²C secure key storage |
IC16/IC18 |
IC |
I²C Real time clock |
IC8 |
IC |
8 channel 12 bit ADC |
IC15, IC17 |
IC |
8 bit shift register |
IC20 |
IC |
USB2.0 HUB |
IC21, IC26, IC27, IC29, IC30 |
IC |
USB switch |
J24, J23 |
Pin header |
2-pin and 4-pin FAN connector (5V default or 3.3V or VCC_INT voltage) |
Configuration, Status, Setup Elements and GPIOs |
||
LED1, LED2, LED3, LED4 |
Red-green status LEDs |
User defined indication LED |
LED5 |
Red-green status LEDs |
Raspberry CM4/5 status |
LED6 |
Green status LED |
Power indication LED |
BZ1 |
Buzzer |
User defined |
J12 |
Header |
14-pin Raspberry CM4 SYS header |
J5 |
Header |
Power control and PG status |
J6 |
Header |
Wireless LAN and Bluetooth control |
J10 |
Header |
20-pin CM4 GPIO header |
SW1 |
DIP switch |
Boot and USB configuration |
RF front end |
||
IC39, IC40 |
IC |
PA TQP3M9018 |
IC43, IC44 |
IC |
LNA SPF5043Z |
IC37, IC38, IC41, IC42 |
IC |
RF switch SKY13286 |
Communication Ports |
||
J1, J2 |
Connector |
Raspberry Pi CM4(L)/5 connectors |
J11 |
Header |
Raspberry CM4 UART0 header (unpopulated) |
J8 |
Header |
5-pin front screen connector (power, I2C, button) |
J25 |
USB |
USB 2.0 (Type-C) socket |
J29 |
USB |
Dual USB 3.0 (Type-A) socket |
J9 |
Ethernet |
Gigabit RJ45 (Ethernet with magnetics) port |
J30, J31 |
HDMI |
HDMI 2.0 socket |
J15, J16 |
LVDS |
FPC 15-pin for display and camera |
J14, J17 |
Audio/Video |
3.5 mm jack, Header (unpopulated) |
J7 |
SDIO |
Micro SD card holder |
J4 |
Nano-SIM |
Nano-SIM card holder |
J3 |
Mini PCIe |
Mini PCIe x1 expansion slot |
Clock Circuitry |
||
XO1 |
VCOCXO |
30.72 MHz VCOCXO |
XO2 |
VCTCXO |
30.72 MHz VCTCXO |
XO3 |
VCTCXO |
30.72 MHz VCTCXO |
XO4 |
VCTCXO |
40.00 MHz VCTCXO |
XO5 |
VCTCXO |
38.40 MHz VCTCXO |
IC33 (IC36) |
IC |
16 (8) bit DAC for XOs VC tuning |
IC35 |
IC |
RPi sync mux |
IC31 |
IC |
Clock buffer |
IC34 |
IC |
Phase detector |
J32 |
SMA connector |
Reference clock input EXT_SYNC_IN |
J35 |
SMA connector |
Reference clock output EXT_SYNC_OUT |
J33 |
U.FL connector |
Reference clock output |
J22/J20, J21 |
Multiple |
Internal connector J20/J22 to external SMA J21 |
Power Supply |
||
IC52 |
IC |
Switching regulator ADP2386 (3.3V rail) |
IC53 |
IC |
Switching regulator ADP2386 (5.0V rail) |
IC54 |
IC |
Linear regulator AP7361-FGE (3.3V rail) |
IC56 |
IC |
Linear regulator AP7361-FGE (1.5V rail) |
IC55 |
IC |
Voltage reference AS431ANTR-G1 (2.5V rail) |
LimePSB RPCM Board Architecture
This chapter is dedicated for detailed description of LimePSB RPCM board components and interconnections.
Raspberry CM4/5 Connector
LimePSB RPCM board is designed to use Raspberry Pi CM4/5 as a host computer. Raspberry Pi CM4/5L version without eMMC Flash memory is also supported. Board to board connectors (J1 and J2) are used to connect CM4/5 to the LimePSB RPCM board. Connector pinout, CM4 and CM5 signals and schematic signal names are listed and described in Table 2.
CM4 Pin |
CM4 reference |
Schematic signal name |
Description[1] |
|---|---|---|---|
1 |
GND |
GND |
Ground (0V) |
2 |
GND |
GND |
Ground (0V) |
3 |
Ethernet_Pair3_P |
ETH_TRD3_P |
Ethernet pair 3 positive |
4 |
Ethernet_Pair1_P |
ETH_TRD1_P |
Ethernet pair 1 positive |
5 |
Ethernet_Pair3_N |
ETH_TRD3_N |
Ethernet pair 3 negative |
6 |
Ethernet_Pair1_N |
ETH_TRD1_N |
Ethernet pair 1 negative |
7 |
GND |
GND |
Ground (0V) |
8 |
GND |
GND |
Ground (0V) |
9 |
Ethernet_Pair2_N |
ETH_TRD2_N |
Ethernet pair 2 negative |
10 |
Ethernet_Pair0_N |
ETH_TRD0_N |
Ethernet pair 0 negative |
11 |
Ethernet_Pair2_P |
ETH_TRD2_P |
Ethernet pair 2 positive |
12 |
Ethernet_Pair0_P |
ETH_TRD0_P |
Ethernet pair 0 positive |
13 |
GND |
GND |
Ground (0V) |
14 |
GND |
GND |
Ground (0V) |
15 |
Ethernet_nLED3 |
ETH_LED_Y |
Ethernet activity indicator |
16 |
Ethernet_SYNC_IN |
RPI_PIN16 |
IEEE1588 SYNC Input |
17 |
Ethernet_nLED2 |
ETH_LED_G |
Ethernet speed indicator |
18 |
Ethernet_SYNC_OUT |
RPI_PIN18 |
IEEE1588 SYNC Output |
19 |
Ethernet_nLED1 |
NC |
Ethernet speed indicator |
20 |
EEPROM_nWP |
RPI_EEPROM_nWP |
EEPROM write protect |
21 |
Pi_nLED_Activity |
RPI_STATUS_LED_R |
Pi activity LED |
22 |
GND |
GND |
Ground (0V) |
23 |
GND |
GND |
Ground (0V) |
24 |
GPIO26 |
PCIE_LED_WPAN |
General purpose |
25 |
GPIO21 |
RPI_SPI1_SCLK |
General purpose |
26 |
GPIO19 |
RPI_SPI1_MISO |
General purpose |
27 |
GPIO20 |
RPI_SPI1_MOSI |
General purpose |
28 |
GPIO13 |
RPI_PWM1 |
General purpose |
29 |
GPIO16 |
PCIE_LED_WWAN |
General purpose |
30 |
GPIO6 |
RPI_RF_SW_TDD |
General purpose |
31 |
GPIO12 |
RPI_PWM0 |
General purpose |
32 |
GND |
GND |
Ground (0V) |
33 |
GND |
GND |
Ground (0V) |
34 |
GPIO5 |
BUZZER |
General purpose |
35 |
ID_SC |
RPI_ID_SC |
BCM2711 GPIO 1 |
36 |
ID_SD |
RPI_ID_SD |
BCM2711 GPIO 0 |
37 |
GPIO7 |
RPI_SPI0_SS1 |
General purpose |
38 |
GPIO11 |
RPI_SPI0_SCLK |
General purpose |
39 |
GPIO8 |
RPI_SPI0_SS0 |
General purpose |
40 |
GPIO9 |
RPI_SPI0_MISO |
General purpose |
41 |
GPIO25 |
PCIE_LED_WLAN |
General purpose |
42 |
GND |
GND |
Ground (0V) |
43 |
GND |
GND |
Ground (0V) |
44 |
GPIO10 |
RPI_SPI0_MOSI |
General purpose |
45 |
GPIO24 |
RPI_BTN1 |
General purpose |
46 |
GPIO22 |
RPI_GPIO22 |
General purpose |
47 |
GPIO23 |
RPI_BTN2 |
General purpose |
48 |
GPIO27 |
RPI_GPIO27 |
General purpose |
49 |
GPIO18 |
RPI_SPI1_SS0 |
General purpose |
50 |
GPIO17 |
RPI_SPI1_SS1 |
General purpose |
51 |
GPIO15 |
RPI_UART0_RX |
General purpose |
52 |
GND |
GND |
Ground (0V) |
53 |
GND |
GND |
Ground (0V) |
54 |
GPIO4 |
RPI_GPIO4 |
General purpose |
55 |
GPIO14 |
RPI_UART0_TX |
General purpose |
56 |
GPIO3 |
ADF_MUXOUT |
General purpose |
57 |
SD_CLK |
RPI_SD_CLK |
SD card clock signal |
58 |
GPIO2 |
RPI_GPIO2 |
General purpose |
59 |
GND |
GND |
Ground (0V) |
60 |
GND |
GND |
Ground (0V) |
61 |
SD_DAT3 |
RPI_SD_D3 |
SD card/eMMC Data3 signal |
62 |
SD_CMD |
RPI_SD_CMD |
SD card/eMMC Command signal |
63 |
SD_DAT0 |
RPI_SD_D0 |
SD card/eMMC Data0 signal |
64 |
SD_DAT5 |
NC |
SD card/eMMC Data5 signal |
65 |
GND |
GND |
Ground (0V) |
66 |
GND |
GND |
Ground (0V) |
67 |
SD_DAT1 |
RPI_SD_D1 |
SD card/eMMC Data1 signal |
68 |
SD_DAT4 |
NC |
SD card/eMMC Data4 signal |
69 |
SD_DAT2 |
RPI_SD_D2 |
SD card/eMMC Data2 signal |
70 |
SD_DAT7 |
NC |
SD card/eMMC Data7 signal |
71 |
GND |
GND |
Ground (0V) |
72 |
SD_DAT6 |
NC |
SD card/eMMC Data6 signal |
73 |
SD_VDD_Override |
NC |
Force SD card/eMMC interface |
74 |
GND |
GND |
Ground (0V) |
75 |
SD_PWR_ON |
RPI_SD_PWR_ON |
Output to power-switch for the SD card |
76 |
Reserved |
RPI_VBAT |
Do not connect |
77 |
+5V (Input) |
VCC5P0 |
4.75V-5.25V. Main power input |
78 |
GPIO_VREF |
VCC3P3 |
GPIO reference voltage |
79 |
+5V (Input) |
VCC5P0 |
4.75V-5.25V. Main power input |
80 |
SCL0 |
RPI_I2C0_SCL |
I2C clock pin |
81 |
+5V (Input) |
VCC5P0 |
4.75V-5.25V. Main power input |
82 |
SDA0 |
RPI_I2C0_SDA |
I2C Data pin |
83 |
+5V (Input) |
VCC5P0 |
4.75V-5.25V. Main power input |
84 |
CM4_3.3V (Output) |
VCC3P3_RPI |
3.3V ± 2.5%. Power Output |
85 |
+5V (Input) |
VCC5P0 |
4.75V-5.25V. Main power input |
86 |
CM4_3.3V (Output) |
VCC3P3_RPI |
3.3V ± 2.5%. Power Output |
87 |
+5V (Input) |
VCC5P0 |
4.75V-5.25V. Main power input |
88 |
CM4_1.8V (Output) |
VCC1P8_RPI |
1.8V ± 2.5%. Power Output |
89 |
WL_nDisable |
RPI_WL_nDISABLE |
Wireless interface disable |
90 |
CM4_1.8V (Output) |
VCC1P8_RPI |
1.8V ± 2.5%. Power Output |
91 |
BT_nDisable |
RPI_BT_nDISABLE |
Bluetooth interface disable |
92 |
RUN_PG |
RPI_RUN_PG |
CM4 CPU reset/power good |
93 |
nRPIBOOT |
RPI_nRPIBOOT |
booting from an RPI server |
94 |
AnalogIP1 |
RPI_AIP1 |
Analogue input |
95 |
PI_LED_nPWR |
RPI_LED_nPWR |
Power On LED |
96 |
AnalogIP0 |
RPI_AIP0 |
Analogue input |
97 |
Camera_GPIO |
CAM1_GPIO0 |
Used to shut down the camera |
98 |
GND |
GND |
Ground (0V) |
99 |
GLOBAL_EN |
RPI_GLOBAL_EN |
CM4 enable |
100 |
nEXTRST |
RPI_nEXTRST |
Output. Driven low during reset |
101 |
USB_OTG_ID |
RPI_USB_OTG_ID |
USB OTG Pin |
102 |
PCIe_CLK_nREQ |
RPI_PCIE_CLK_nREQ |
PCIe clock request |
103 |
USB_N |
RPI_USB_D_N |
USB D- |
104 |
Reserved |
NC |
Do not connect |
105 |
USB_P |
RPI_USB_D_P |
USB D+ |
106 |
Reserved |
RPI_PCIE_DET_nWAKE |
Do not connect |
107 |
GND |
GND |
Ground (0V) |
108 |
GND |
GND |
Ground (0V) |
109 |
PCIe_nRST |
RPI_PCIE_nRST |
PCIe reset |
110 |
PCIe_CLK_P |
RPI_PCIE_CLK_P |
PCIe clock Out positive |
111 |
VDAC_COMP |
RPI_PIN11 |
Video DAC output |
112 |
PCIe_CLK_N |
RPI_PCIE_CLK_N |
PCIe clock Out negative |
113 |
GND |
GND |
Ground (0V) |
114 |
GND |
GND |
Ground (0V) |
115 |
CAM1_D0_N |
CAM1_D0_N |
Input Camera1 D0 negative |
116 |
PCIe_RX_P |
RPI_PCIE_RX_P |
Input PCIe GEN 2 RX positive |
117 |
CAM1_D0_P |
CAM1_D0_P |
Input Camera1 D0 positive |
118 |
PCIe_RX_N |
RPI_PCIE_RX_N |
Input PCIe GEN 2 RX negative |
119 |
GND |
GND |
Ground (0V) |
120 |
GND |
GND |
Ground (0V) |
121 |
CAM1_D1_N |
CAM1_D1_N |
Input Camera1 D1 negative |
122 |
PCIe_TX_P |
RPI_PCIE_TX_P |
Output PCIe GEN 2 TX positive |
123 |
CAM1_D1_P |
CAM1_D1_P |
Input Camera1 D1 positive |
124 |
PCIe_TX_N |
RPI_PCIE_TX_N |
Output PCIe GEN 2 TX positive |
125 |
GND |
GND |
Ground (0V) |
126 |
GND |
GND |
Ground (0V) |
127 |
CAM1_C_N |
CAM1_CLK_N |
Input Camera1 clock negative |
128 |
CAM0_D0_N |
RPI_USB3_RX0_N |
Input Camera0 D0 negative |
129 |
CAM1_C_P |
CAM1_CLK_P |
Input Camera1 clock positive |
130 |
CAM0_D0_P |
RPI_USB3_RX0_P |
Input Camera0 D0 positive |
131 |
GND |
GND |
Ground (0V) |
132 |
GND |
GND |
Ground (0V) |
133 |
CAM1_D2_N |
NC |
Input Camera1 D2 negative |
134 |
CAM0_D1_N |
RPI_USB3_D0_P |
Input Camera0 D1 negative |
135 |
CAM1_D2_P |
NC |
Input Camera1 D2 positive |
136 |
CAM0_D1_P |
RPI_USB3_D0_N |
Input Camera0 D1 positive |
137 |
GND |
GND |
Ground (0V) |
138 |
GND |
GND |
Ground (0V) |
139 |
CAM1_D3_N |
NC |
Input Camera1 D3 negative |
140 |
CAM0_C_N |
RPI_USB3_TX0_N |
Input Camera0 clock negative |
141 |
CAM1_D3_P |
NC |
Input Camera1 D3 positive |
142 |
CAM0_C_P |
RPI_USB3_TX0_P |
Input Camera0 clock positive |
143 |
HDMI1_HOTPLUG |
HDMI1_HOTPLUG |
Input HDMI1 hotplug |
144 |
GND |
GND |
Ground (0V) |
145 |
HDMI1_SDA |
HDMI1_SDA |
A Bidirectional HDMI1 SDA |
146 |
HDMI1_TX2_P |
HDMI1_D2_P |
Output HDMI1 TX2 positive |
147 |
HDMI1_SCL |
HDMI1_SCL |
Bidirectional HDMI1 SCL |
148 |
HDMI1_TX2_N |
HDMI1_D2_N |
Output HDMI1 TX2 negative |
149 |
HDMI1_CEC |
HDMI1_CEC |
Input HDMI1 CEC |
150 |
GND |
GND |
Ground (0V) |
151 |
HDMI0_CEC |
HDMI0_CEC |
Input HDMI0 CEC |
152 |
HDMI1_TX1_P |
HDMI1_D1_P |
Output HDMI1 TX1 positive |
153 |
HDMI0_HOTPLUG |
HDMI0_HPD |
Input HDMI0 hotplug |
154 |
HDMI1_TX1_N |
HDMI1_D1_N |
Output HDMI1 TX1 negative |
155 |
GND |
GND |
Ground (0V) |
156 |
GND |
GND |
Ground (0V) |
157 |
DSI0_D0_N |
RPI_USB3_RX1_N |
Output Display0 D0 negative |
158 |
HDMI1_TX0_P |
HDMI1_D0_P |
Output HDMI1 TX0 positive |
159 |
DSI0_D0_P |
RPI_USB3_RX1_P |
Output Display0 D0 positive |
160 |
HDMI1_TX0_N |
HDMI1_D0_N |
Output HDMI1 TX0 negative |
161 |
GND |
GND |
Ground (0V) |
162 |
GND |
GND |
Ground (0V) |
163 |
DSI0_D1_N |
RPI_USB3_D1_P |
Output Display0 D1 negative |
164 |
HDMI1_CLK_P |
HDMI1_CLK_P |
Output HDMI1 clock positive |
165 |
DSI0_D1_P |
RPI_USB3_D1_N |
Output Display0 D1 positive |
166 |
HDMI1_CLK_N |
HDMI1_CLK_N |
Output HDMI1 clock negative |
167 |
GND |
GND |
Ground (0V) |
168 |
GND |
GND |
Ground (0V) |
169 |
DSI0_C_N |
RPI_USB3_TX1_N |
Output Display0 clock negative |
170 |
HDMI0_TX2_P |
HDMI0_D2_P |
Output HDMI0 TX2 positive |
171 |
DSI0_C_P |
RPI_USB3_TX1_P |
Output Display0 clock positive |
172 |
HDMI0_TX2_N |
HDMI0_D2_N |
Output HDMI0 TX2 negative |
173 |
GND |
GND |
Ground (0V) |
174 |
GND |
GND |
Ground (0V) |
175 |
DSI1_D0_N |
DSI1_D0_N |
Output Display1 D0 negative |
176 |
HDMI0_TX1_P |
HDMI0_D1_P |
Output HDMI0 TX1 positive |
177 |
DSI1_D0_P |
DSI1_D0_P |
Output Display1 D0 positive |
178 |
HDMI0_TX1_N |
HDMI0_D1_N |
Output HDMI0 TX1 negative |
179 |
GND |
GND |
Ground (0V) |
180 |
GND |
GND |
Ground (0V) |
181 |
DSI1_D1_N |
DSI1_D1_N |
Output Display1 D1 negative |
182 |
HDMI0_TX0_P |
HDMI0_D0_P |
Output HDMI0 TX0 positive |
183 |
DSI1_D1_P |
DSI1_D1_P |
Output Display1 D1 positive |
184 |
HDMI0_TX0_N |
HDMI0_D0_N |
Output HDMI0 TX0 negative |
185 |
GND |
GND |
Ground (0V) |
186 |
GND |
GND |
Ground (0V) |
187 |
DSI1_C_N |
DSI1_CLK_N |
Output Display1 clock negative |
188 |
HDMI0_CLK_P |
HDMI0_CLK_P |
Output HDMI0 clock positive |
189 |
DSI1_C_P |
DSI1_CLK_P |
Output Display1 clock positive |
190 |
HDMI0_CLK_N |
HDMI0_CLK_N |
Output HDMI0 clock negative |
191 |
GND |
GND |
Ground (0V) |
192 |
GND |
GND |
Ground (0V) |
193 |
DSI1_D2_N |
NC |
Output Display1 D2 negative |
194 |
DSI1_D3_N |
NC |
Output Display1 D3 negative |
195 |
DSI1_D2_P |
NC |
Output Display1 D2 positive |
196 |
DSI1_D3_P |
NC |
Output Display1 D3 positive |
197 |
GND |
GND |
Ground (0V) |
198 |
GND |
GND |
Ground (0V) |
199 |
HDMI0_SDA |
HDMI0_SDA |
Bidirectional HDMI0 SDA |
200 |
HDMI0_SCL |
HDMI0_SCL |
Bidirectional HDMI0 SCL |
CM5 Pin |
CM5 reference |
Schematic signal name |
Description[2] |
|---|---|---|---|
1 |
GND |
GND |
Ground (0V) |
2 |
GND |
GND |
Ground (0V) |
3 |
Ethernet_Pair3_P |
ETH_TRD3_P |
Ethernet pair 3 positive |
4 |
Ethernet_Pair1_P |
ETH_TRD1_P |
Ethernet pair 1 positive |
5 |
Ethernet_Pair3_N |
ETH_TRD3_N |
Ethernet pair 3 negative |
6 |
Ethernet_Pair1_N |
ETH_TRD1_N |
Ethernet pair 1 negative |
7 |
GND |
GND |
Ground (0V) |
8 |
GND |
GND |
Ground (0V) |
9 |
Ethernet_Pair2_N |
ETH_TRD2_N |
Ethernet pair 2 negative |
10 |
Ethernet_Pair0_N |
ETH_TRD0_N |
Ethernet pair 0 negative |
11 |
Ethernet_Pair2_P |
ETH_TRD2_P |
Ethernet pair 2 positive |
12 |
Ethernet_Pair0_P |
ETH_TRD0_P |
Ethernet pair 0 positive |
13 |
GND |
GND |
Ground (0V) |
14 |
GND |
GND |
Ground (0V) |
15 |
Ethernet_nLED3 |
ETH_LED_Y |
Ethernet activity indicator |
16 |
Fan_Tacho |
RPI_PIN16 |
Fan Tacho Input pin |
17 |
Ethernet_nLED2 |
ETH_LED_G |
Ethernet speed indicator |
18 |
Ethernet_SYNC_OUT |
RPI_PIN18 |
IEEE1588 SYNC Output |
19 |
Fan_PWM |
NC |
Open drain output |
20 |
EEPROM_nWP |
RPI_EEPROM_nWP |
EEPROM write protect |
21 |
Pi_nLED_Activity |
RPI_STATUS_LED_R |
Pi activity LED |
22 |
GND |
GND |
Ground (0V) |
23 |
GND |
GND |
Ground (0V) |
24 |
GPIO26 |
PCIE_LED_WPAN |
General purpose |
25 |
GPIO21 |
RPI_SPI1_SCLK |
General purpose |
26 |
GPIO19 |
RPI_SPI1_MISO |
General purpose |
27 |
GPIO20 |
RPI_SPI1_MOSI |
General purpose |
28 |
GPIO13 |
RPI_PWM1 |
General purpose |
29 |
GPIO16 |
PCIE_LED_WWAN |
General purpose |
30 |
GPIO6 |
RPI_RF_SW_TDD |
General purpose |
31 |
GPIO12 |
RPI_PWM0 |
General purpose |
32 |
GND |
GND |
Ground (0V) |
33 |
GND |
GND |
Ground (0V) |
34 |
GPIO5 |
BUZZER |
General purpose |
35 |
ID_SC |
RPI_ID_SC |
BCM2711 GPIO 1 |
36 |
ID_SD |
RPI_ID_SD |
BCM2711 GPIO 0 |
37 |
GPIO7 |
RPI_SPI0_SS1 |
General purpose |
38 |
GPIO11 |
RPI_SPI0_SCLK |
General purpose |
39 |
GPIO8 |
RPI_SPI0_SS0 |
General purpose |
40 |
GPIO9 |
RPI_SPI0_MISO |
General purpose |
41 |
GPIO25 |
PCIE_LED_WLAN |
General purpose |
42 |
GND |
GND |
Ground (0V) |
43 |
GND |
GND |
Ground (0V) |
44 |
GPIO10 |
RPI_SPI0_MOSI |
General purpose |
45 |
GPIO24 |
RPI_BTN1 |
General purpose |
46 |
GPIO22 |
RPI_GPIO22 |
General purpose |
47 |
GPIO23 |
RPI_BTN2 |
General purpose |
48 |
GPIO27 |
RPI_GPIO27 |
General purpose |
49 |
GPIO18 |
RPI_SPI1_SS0 |
General purpose |
50 |
GPIO17 |
RPI_SPI1_SS1 |
General purpose |
51 |
GPIO15 |
RPI_UART0_RX |
General purpose |
52 |
GND |
GND |
Ground (0V) |
53 |
GND |
GND |
Ground (0V) |
54 |
GPIO4 |
RPI_GPIO4 |
General purpose |
55 |
GPIO14 |
RPI_UART0_TX |
General purpose |
56 |
GPIO3 |
ADF_MUXOUT |
General purpose |
57 |
SD_CLK |
RPI_SD_CLK |
SD card clock signal |
58 |
GPIO2 |
RPI_GPIO2 |
General purpose |
59 |
GND |
GND |
Ground (0V) |
60 |
GND |
GND |
Ground (0V) |
61 |
SD_DAT3 |
RPI_SD_D3 |
SD card/eMMC Data3 signal |
62 |
SD_CMD |
RPI_SD_CMD |
SD card/eMMC Command signal |
63 |
SD_DAT0 |
RPI_SD_D0 |
SD card/eMMC Data0 signal |
64 |
SD_DAT5 |
NC |
SD card/eMMC Data5 signal |
65 |
GND |
GND |
Ground (0V) |
66 |
GND |
GND |
Ground (0V) |
67 |
SD_DAT1 |
RPI_SD_D1 |
SD card/eMMC Data1 signal |
68 |
SD_DAT4 |
NC |
SD card/eMMC Data4 signal |
69 |
SD_DAT2 |
RPI_SD_D2 |
SD card/eMMC Data2 signal |
70 |
SD_DAT7 |
NC |
SD card/eMMC Data7 signal |
71 |
GND |
GND |
Ground (0V) |
72 |
SD_DAT6 |
NC |
SD card/eMMC Data6 signal |
73 |
SD_VDD_Override |
NC |
Force SD card/eMMC interface |
74 |
GND |
GND |
Ground (0V) |
75 |
SD_PWR_ON |
RPI_SD_PWR_ON |
Output to power-switch for the SD card |
76 |
VBAT |
RPI_VBAT |
RTC Battery input |
77 |
+5V (Input) |
VCC5P0 |
4.75V-5.25V. Main power input |
78 |
GPIO_VREF |
VCC3P3 |
GPIO reference voltage |
79 |
+5V (Input) |
VCC5P0 |
4.75V-5.25V. Main power input |
80 |
SCL0 |
RPI_I2C0_SCL |
I2C clock pin |
81 |
+5V (Input) |
VCC5P0 |
4.75V-5.25V. Main power input |
82 |
SDA0 |
RPI_I2C0_SDA |
I2C Data pin |
83 |
+5V (Input) |
VCC5P0 |
4.75V-5.25V. Main power input |
84 |
CM4_3.3V (Output) |
VCC3P3_RPI |
3.3V ± 2.5%. Power Output |
85 |
+5V (Input) |
VCC5P0 |
4.75V-5.25V. Main power input |
86 |
CM4_3.3V (Output) |
VCC3P3_RPI |
3.3V ± 2.5%. Power Output |
87 |
+5V (Input) |
VCC5P0 |
4.75V-5.25V. Main power input |
88 |
CM4_1.8V (Output) |
VCC1P8_RPI |
1.8V ± 2.5%. Power Output |
89 |
WL_nDisable |
RPI_WL_nDISABLE |
Wireless interface disable |
90 |
CM4_1.8V (Output) |
VCC1P8_RPI |
1.8V ± 2.5%. Power Output |
91 |
BT_nDisable |
RPI_BT_nDISABLE |
Bluetooth interface disable |
92 |
PWR_Button |
RPI_RUN_PG |
CM5 CPU turn on/off |
93 |
nRPIBOOT |
RPI_nRPIBOOT |
booting from an RPI server |
94 |
CC1 |
RPI_AIP1 |
USB PSU PD signal |
95 |
LED_nPWR |
RPI_LED_nPWR |
Power On LED |
96 |
CC2 |
RPI_AIP0 |
USB PSU PD signal |
97 |
CAM_GPIO0 |
CAM1_GPIO0 |
Used to shut down the camera |
98 |
GND |
GND |
Ground (0V) |
99 |
PMIC_Enable |
RPI_GLOBAL_EN |
CM4 enable |
100 |
CAM_GPIO1 |
RPI_nEXTRST |
Output. Driven low during reset |
101 |
USB_OTG_ID |
RPI_USB_OTG_ID |
USB OTG Pin |
102 |
PCIe_CLK_nREQ |
RPI_PCIE_CLK_nREQ |
PCIe clock request |
103 |
USB_N |
RPI_USB_D_N |
USB D- |
104 |
PCIe_nWAKE |
NC |
PCIe WAKE# signal |
105 |
USB_P |
RPI_USB_D_P |
USB D+ |
106 |
PCIe_PWR_EN |
RPI_PCIE_DET_nWAKE |
PCIe device enable |
107 |
GND |
GND |
Ground (0V) |
108 |
GND |
GND |
Ground (0V) |
109 |
PCIe_nRST |
RPI_PCIE_nRST |
PCIe reset |
110 |
PCIe_CLK_P |
RPI_PCIE_CLK_P |
PCIe clock Out positive |
111 |
VBUS_EN |
RPI_PIN11 |
USB3 power enable |
112 |
PCIe_CLK_N |
RPI_PCIE_CLK_N |
PCIe clock Out negative |
113 |
GND |
GND |
Ground (0V) |
114 |
GND |
GND |
Ground (0V) |
115 |
MIPI0_D0_N |
CAM1_D0_N |
Camera / display D0 negative |
116 |
PCIe_RX_P |
RPI_PCIE_RX_P |
Input PCIe GEN 2 RX positive |
117 |
MIPI0_D0_P |
CAM1_D0_P |
Camera / display D0 positive |
118 |
PCIe_RX_N |
RPI_PCIE_RX_N |
Input PCIe GEN 2 RX negative |
119 |
GND |
GND |
Ground (0V) |
120 |
GND |
GND |
Ground (0V) |
121 |
MIPI0_D1_N |
CAM1_D1_N |
Camera / display D1 negative |
122 |
PCIe_TX_P |
RPI_PCIE_TX_P |
Output PCIe GEN 2 TX positive |
123 |
MIPI0_D1_P |
CAM1_D1_P |
Camera / display D1 positive |
124 |
PCIe_TX_N |
RPI_PCIE_TX_N |
Output PCIe GEN 2 TX positive |
125 |
GND |
GND |
Ground (0V) |
126 |
GND |
GND |
Ground (0V) |
127 |
MIPI0_C_N |
CAM1_CLK_N |
Camera / display clock negative |
128 |
USB3-0-RX_N |
RPI_USB3_RX0_N |
USB3 Port 0 RX Input negative |
129 |
MIPI0_C_P |
CAM1_CLK_P |
Camera / display clock positive |
130 |
USB3-0-RX_P |
RPI_USB3_RX0_P |
USB3 Port 0 RX Input positive |
131 |
GND |
GND |
Ground (0V) |
132 |
GND |
GND |
Ground (0V) |
133 |
MIPI0_D2_N |
NC |
Camera / display D2 negative |
134 |
USB3-0-DP |
RPI_USB3_D0_P |
USB3 port 0 DP |
135 |
MIPI0_D2_P |
NC |
Camera / display D2 positive |
136 |
USB3-0-DM |
RPI_USB3_D0_N |
USB3 Port 0 DM |
137 |
GND |
GND |
Ground (0V) |
138 |
GND |
GND |
Ground (0V) |
139 |
MIPI0_D3_N |
NC |
Camera / display D3 negative |
140 |
USB3-0-TX_N |
RPI_USB3_TX0_N |
USB3 Port 0 TX output negative |
141 |
MIPI0_D3_P |
NC |
Camera / display D3 positive |
142 |
USB3-0-TX_P |
RPI_USB3_TX0_P |
USB3 Port 0 TX output positive |
143 |
HDMI1_HOTPLUG |
HDMI1_HOTPLUG |
Input HDMI1 hotplug |
144 |
GND |
GND |
Ground (0V) |
145 |
HDMI1_SDA |
HDMI1_SDA |
A Bidirectional HDMI1 SDA |
146 |
HDMI1_TX2_P |
HDMI1_D2_P |
Output HDMI1 TX2 positive |
147 |
HDMI1_SCL |
HDMI1_SCL |
Bidirectional HDMI1 SCL |
148 |
HDMI1_TX2_N |
HDMI1_D2_N |
Output HDMI1 TX2 negative |
149 |
HDMI1_CEC |
HDMI1_CEC |
Input HDMI1 CEC |
150 |
GND |
GND |
Ground (0V) |
151 |
HDMI0_CEC |
HDMI0_CEC |
Input HDMI0 CEC |
152 |
HDMI1_TX1_P |
HDMI1_D1_P |
Output HDMI1 TX1 positive |
153 |
HDMI0_HOTPLUG |
HDMI0_HPD |
Input HDMI0 hotplug |
154 |
HDMI1_TX1_N |
HDMI1_D1_N |
Output HDMI1 TX1 negative |
155 |
GND |
GND |
Ground (0V) |
156 |
GND |
GND |
Ground (0V) |
157 |
USB3-1-RX_N |
RPI_USB3_RX1_N |
USB3 Port 1 RX Input negative |
158 |
HDMI1_TX0_P |
HDMI1_D0_P |
Output HDMI1 TX0 positive |
159 |
USB3-1-RX_P |
RPI_USB3_RX1_P |
USB3 Port 1 RX Input positive |
160 |
HDMI1_TX0_N |
HDMI1_D0_N |
Output HDMI1 TX0 negative |
161 |
GND |
GND |
Ground (0V) |
162 |
GND |
GND |
Ground (0V) |
163 |
USB3-1-DP |
RPI_USB3_D1_P |
USB3 port 1 DP |
164 |
HDMI1_CLK_P |
HDMI1_CLK_P |
Output HDMI1 clock positive |
165 |
USB3-1-DM |
RPI_USB3_D1_N |
USB3 Port 1 DM |
166 |
HDMI1_CLK_N |
HDMI1_CLK_N |
Output HDMI1 clock negative |
167 |
GND |
GND |
Ground (0V) |
168 |
GND |
GND |
Ground (0V) |
169 |
USB3-1-TX_N |
RPI_USB3_TX1_N |
USB3 Port 1 TX output negative |
170 |
HDMI0_TX2_P |
HDMI0_D2_P |
Output HDMI0 TX2 positive |
171 |
USB3-1-TX_P |
RPI_USB3_TX1_P |
USB3 Port 1 TX output positive |
172 |
HDMI0_TX2_N |
HDMI0_D2_N |
Output HDMI0 TX2 negative |
173 |
GND |
GND |
Ground (0V) |
174 |
GND |
GND |
Ground (0V) |
175 |
MIPI1_D0_N |
DSI1_D0_N |
Camera / display D0 negative |
176 |
HDMI0_TX1_P |
HDMI0_D1_P |
Output HDMI0 TX1 positive |
177 |
MIPI1_D0_P |
DSI1_D0_P |
Camera / display D0 positive |
178 |
HDMI0_TX1_N |
HDMI0_D1_N |
Output HDMI0 TX1 negative |
179 |
GND |
GND |
Ground (0V) |
180 |
GND |
GND |
Ground (0V) |
181 |
MIPI1_D1_N |
DSI1_D1_N |
Camera / display D1 negative |
182 |
HDMI0_TX0_P |
HDMI0_D0_P |
Output HDMI0 TX0 positive |
183 |
MIPI1_D1_P |
DSI1_D1_P |
Camera / display D1 positive |
184 |
HDMI0_TX0_N |
HDMI0_D0_N |
Output HDMI0 TX0 negative |
185 |
GND |
GND |
Ground (0V) |
186 |
GND |
GND |
Ground (0V) |
187 |
MIPI1_C_N |
DSI1_CLK_N |
Camera / display clock negative |
188 |
HDMI0_CLK_P |
HDMI0_CLK_P |
Output HDMI0 clock positive |
189 |
MIPI1_C_P |
DSI1_CLK_P |
Camera / display clock positive |
190 |
HDMI0_CLK_N |
HDMI0_CLK_N |
Output HDMI0 clock negative |
191 |
GND |
GND |
Ground (0V) |
192 |
GND |
GND |
Ground (0V) |
193 |
MIPI1_D2_N |
NC |
Camera / display D2 negative |
194 |
MIPI1_D3_N |
NC |
Camera / display D3 negative |
195 |
MIPI1_D2_P |
NC |
Camera / display D2 positive |
196 |
MIPI1_D3_P |
NC |
Camera / display D3 positive |
197 |
GND |
GND |
Ground (0V) |
198 |
GND |
GND |
Ground (0V) |
199 |
HDMI0_SDA |
HDMI0_SDA |
Bidirectional HDMI0 SDA |
200 |
HDMI0_SCL |
HDMI0_SCL |
Bidirectional HDMI0 SCL |
Raspberry Pi CM4/5 Configuration
LimePSB RPCM board has several headers and a DIP switch dedicated for Raspberry Pi CM4/5 configuration, debug, analog inputs or other purposes. SYS Header (J12) pins, schematic signal names and description are given in Table 3.
Pin |
Schematic signal name |
Description [1], [2] |
|---|---|---|
1 |
GND |
Ground (0V) |
2 |
RPI_nRPIBOOT |
A low on this pin forces CM4/5 booting. To enable Raspberry Pi USB boot also place nRPIBOOT jumper on J12 pins 1-2. Place jumper on header J26 to switch Raspberry Pi USB from USB hub to USB C connector. |
3 |
GND |
Ground (0V) |
4 |
RPI_EEPROM_nWP |
CM4/5 on-board EEPROM write protect |
5 |
RPI_AIP0 |
Analogue input (CM4) / USB CC1 (CM5) |
6 |
RPI_AIP1 |
Analogue input (CM4) / USB CC2 (CM5) |
7 |
GND |
Ground (0V) |
8 |
RPI_SYNC_IN |
IEEE1588 SYNC Input |
9 |
RPI_SYNC_OUT |
IEEE1588 SYNC Output |
10 |
RPI_RUN_PG |
RUN_PG pin when high signals that the CM4/5 has started. Driving this pin low resets the module. |
11 |
RPI_PIN11 |
Video DAC output (CM4) / USB3 VBUS enable (CM5) |
12 |
GND |
Ground (0V) |
13 |
RPI_RUN_PG_BUFF |
Buffered (5V output) RPI_RUN_PG line. High signal indicates CM4 CPU is running. / Power button for CM5. |
14 |
RPI_GLOBAL_EN |
Drive low to power off CM4/5. A button between pins 13-14 can be used to wake up compute module from power down. |
Description of power control header J5 (not fitted) for Raspberry Pi CM4/5 pinout is given in Table 4.
Pin |
Schematic signal name |
Description [1], [2] |
|---|---|---|
1 |
RPI_GLOBAL_EN |
Drive low to power off CM4/5. |
2 |
GND |
Ground (0V) |
3 |
RPI_RUN_PG |
Drive low to reset CM4/5 CPU/high signal indicates CM4/5 CPU is running. |
Raspberry Pi Compute Module 4/5 on board WiFi and Bluetooth disable signals may be controlled from header J6 (not fitted) as shown in Table 5.
Pin |
Schematic signal name |
Description [1], [2] |
1 |
RPI_WL_nDISABLE |
This pin serves a number of functions: It can be used to monitor the enable/disable state of wireless networking. A logic high means the WIFI module is powered up. When driven or tied low it prevents the wireless network module from powering up. This is useful to reduce power consumption or in applications where it is required to physically ensure the wireless networking is disabled. If the interface is enabled after being disabled, the wireless interface driver needs reinitialised. |
2 |
GND |
Ground (0V) |
3 |
RPI_BT_nDISABLE |
This pin serves a number of functions: It can be used to monitor the enable/disable state of Bluetooth. A logic high means the Bluetooth module is powered up. When driven, or tied low, it prevents the Bluetooth module from powering up. This is useful to reduce power consumption, or in applications where it is required to physically ensure the Bluetooth is disabled. If the interface is enabled after being disabled, the Bluetooth interface driver needs reinitialised. |
DIP Switch configuration
Some configuration can be done by switching SW1 DIP switch bits. Detailed switch bit descriptions is given in Table 6.
Bit |
Schematic signal name |
Description |
|---|---|---|
1 |
RPI_nRPIBOOT |
RPi boot source: OFF: RPI boots from eMMC/uSD (default). ON: Booting from eMMC will be stopped and booting will be transferred to RPi boot which is via USB. |
2 |
USB_C_RPI1 |
RPi USB 2.0 port mux control: OFF: RPi USB is connected to USB hub (default). ON: RPi USB is connected to USB C connector. |
3 |
USB_PD_I |
USB C PD current configuration: OFF: I=2.5A (default). ON: I=1.5A. |
4 |
EN_CM5_USB3 |
Dual USB socket source: OFF: connected to USB 2.0 hub (for CM4). ON: connected to CM5 USB3.0 lines (for CM5). |
Mini PCIe x1 Socket
LimePSB RPCM board features mini PCIe x1 specification compatible socket. LimePSB RPCM board mPCIe socket is also compatible with some non-standard expansion boards like LimeSDR-XTRX, LoRaWAN and LoRa Core. More detailed information is listed in Table 7.
Pin |
Mini PCIe x1 specification reference [3] |
LimePSB-RPCM schematic signal name |
XTRX Reference [4] |
LoRaWAN reference [5] |
SX1302/03 Corecell schematic signal name [6] |
1 |
Wake# |
NC |
Wake# |
NC |
NC |
2 |
3.3 Vaux |
VCC3P3 |
+3.3V |
VCC |
VCC5V_IN |
3 |
COEX1 |
PCIE_COEX1 |
1PPSI_GPIO1(1N) |
NC |
NC |
4 |
GND |
GND |
GND |
GND |
GND |
5 |
COEX2 |
PCIE_COEX2 |
1PPSO_GPIO2(1P) |
PPS_IN |
NC |
6 |
GND |
VCC1P5 |
+1.5V |
NC |
GPIO(6) (NC) |
7 |
CLKREQ# |
RPI_PCIE_CLK_nREQ |
CLKREQ# |
NC |
NC |
8 |
UIM PWR |
UIM_PWR |
UIM_PWR |
NC |
NC |
9 |
GND |
GND |
GND |
GND |
GND |
10 |
UIM_DATA |
UIM_DATA |
UIM_DATA |
SWDIO |
NC |
11 |
REFCLK- |
RPI_PCIE_CLK_N |
REF_CLK- |
NC |
NC |
12 |
UIM_CLK |
UIM_CLK |
UIM_CLK |
SWCLK |
NC |
13 |
REFCLK+ |
RPI_PCIE_CLK_P |
REF_CLK+ |
NC |
NC |
14 |
UIM_RESET |
UIM_RESET |
UIM_RESET |
NC |
NC |
15 |
GND |
GND |
GND |
GND |
GND |
16 |
UIM_VPP |
UIM_VPP |
UIM_VPP |
BOOT0 |
POWER_EN(NC) |
17 |
Reserved |
PCIE_UIM8 |
TDD_GPIO3_N |
NC |
HOST_SCK (NC) |
18 |
GND |
GND |
GND |
GND |
GND |
19 |
Reserved |
PCIE_UIMC4 |
MHZ_IN |
NC |
HOST_MISO(NC) |
20 |
W_DISABLE# |
NC |
TDD_GPIO3_P |
nDISABLE |
NC |
21 |
GND |
GND |
GND |
GND |
GND |
22 |
PERST# |
RPI_PCIE_nRST |
PERST# |
nRESET |
SX1302_RESET_HOST (NC) |
23 |
PERn0 |
RPI_PCIE_RX_N |
PERn0 |
NC |
HOST_MOSI(NC) |
24 |
3.3Vaux |
VCC3P3 |
+3.3Vaux |
VCC |
SX1261_BUSY (NC) |
25 |
PERp0 |
RPI_PCIE_RX_P |
PERp0 |
NC |
HOST_CSN (NC) |
26 |
GND |
GND |
GND |
GND |
GND |
27 |
GND |
GND |
GND |
GND |
GND |
28 |
1.5Volt |
VCC1P5 |
+1.5V |
NC |
SX1302_GPIO_8 (NC) |
29 |
GND |
GND |
GND |
GND |
GND |
30 |
SMB CLK |
PCIE_SMB_CLK |
MHZ_OUT |
NC |
I2C_SCL (NC) |
31 |
PETn0 |
PCIE_PET0_N |
PETn0 |
NC |
PPS |
32 |
SMB Data |
PCIE_SMB_DATA |
GPIO8 |
NC |
I2C_SDA (NC) |
33 |
PETp0 |
PCIE_PET0_P |
PETp0 |
NC |
NC |
34 |
GND |
GND |
GND |
GND |
GND |
35 |
GND |
GND |
GND |
GND |
GND |
36 |
USB_D- |
PCIE_USB_N |
USB_DN |
USB_D- / Tx |
USB_DM |
37 |
GND |
GND |
GND |
GND |
GND |
38 |
USB_D+ |
PCIE_USB_P |
USB_DP |
USB_D+ / Rx |
USB_DP |
39 |
3.3Vaux |
VCC3P3 |
PERp1 |
VCC |
VCC3V3_IN |
40 |
GND |
GND |
GND |
GND |
GND |
41 |
3.3Vaux |
VCC3P3 |
PERp1 |
VCC |
VCC3V3_IN |
42 |
LED_WWAN# |
PCIE_LED_WWAN |
LED_WWAN#_GPIO5 |
nTX |
NC |
43 |
GND |
GND |
GND |
GND |
GND |
44 |
LED_WLAN# |
PCIE_LED_WLAN |
LED_WLAN#_GPIO6 |
nRX |
SX1261_NSS (NC) |
45 |
Reserved |
NC |
GND |
NC |
JTCK-SWCLK (NC) |
46 |
LED_WPAN# |
PCIE_LED_WPAN |
LED_WPAN#_GPIO7 |
NC |
SX1261_DIO1 (NC) |
47 |
Reserved |
NC |
PETn1 |
NC |
JTMS-SWDIO (NC) |
48 |
1.5Volt |
VCC1P5 |
+1.5V |
NC |
SX1261_NRESET(NC) |
49 |
Reserved |
NC |
PETp1 |
NC |
MCU_NRESET (NC) |
50 |
GND |
GND |
GND |
GND |
GND |
51 |
Reserved |
NC |
GND |
NC |
MCU_BOOT0 (NC) |
52 |
3.3Vaux |
VCC3P3 |
+3.3V |
VCC |
VCC3V3_IN |
RF Front End
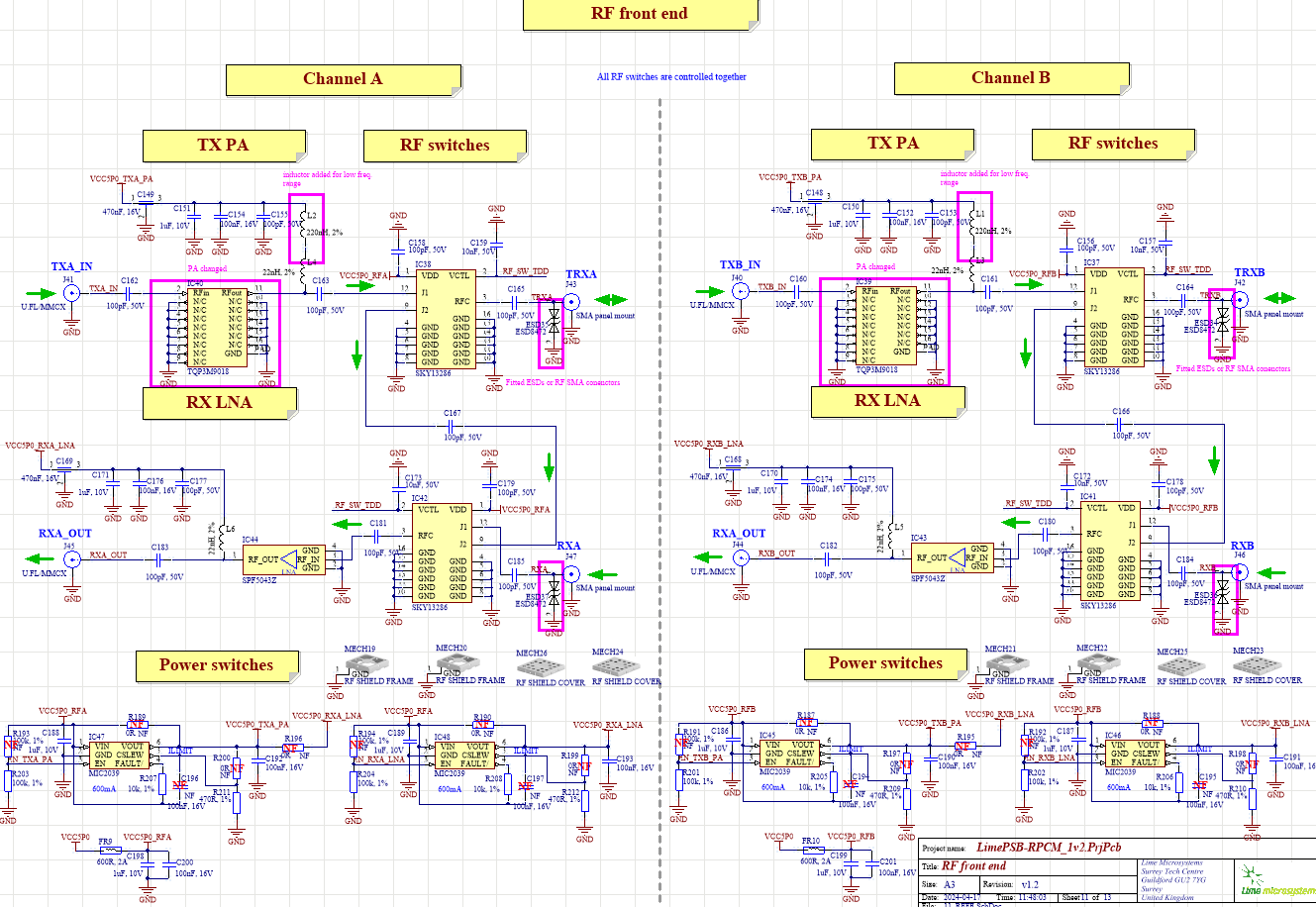
LimePSB RPCM RF path features power amplifiers, low noise amplifiers and SPDT switches as shown in Figure 6.
Figure 6. LimePSB RPCM v1.2 RFFE diagram
A single control signal (RF_SW_TDD) is used to control all RF switches simultaneously for both A and B channels to change between TDD and FDD modes as shown in Table 8.
Control signal (RF_SW_TDD) |
TRXA/B connected to |
RXA/B connected to |
|---|---|---|
Low |
TXA/B_IN |
RXA/B_OUT |
High |
RXA/B_OUT |
NC |
By default RF switches may be controlled from mPCIe expansion board pin 17 (via resistor R39). Optional control source may be RFFE TDD control header (J19) or CM4/5 GPIO6 (resistor R40 must be soldered).
RF path contains two types of connectors: board edge SMA connectors (J42, J43, J46, J47) used for external connections (antennas or cables) and U.FL connectors (J40, J41, J44, J45) used for internal connections (for example to connect to XTRX mini PCIe expansion board).
Signal frequency range of TX and RX paths are listed in Table 9.
Direction |
Frequency range |
|---|---|
TX |
100 MHz - 6 GHz |
RX |
100 MHz - 4 GHz |
More detailed RF path component parameters are given in Table 10.
Component |
Function |
Gain, dB |
Output P1dB, dBm |
NF, dB |
SBB-5089 |
TX amplifier |
20.5dB (850 MHz) 19.0dB (1950 MHz) |
20.5dBm (850 MHz) |
3.8dB (850 MHz) |
15.5dB (6000 MHz) |
20.4dBm (1950 MHz) |
4.1dB (1950 MHz) |
||
14.7dBm (4000 MHz) |
4.6dB (4000 MHz) |
|||
SPF5043Z |
RX amplifier |
18.2dB (900 MHz) |
22.6dBm (900 MHz) |
0.8dB (900 MHz) |
12.9dB (1960 MHz) |
22.7dBm (1900 MHz) |
0.8dB (1900 MHz) |
||
7.0dB (3800 MHz) |
22.8dBm (3800 MHz) |
1.5dB (3800 MHz) |
||
SKY13286 |
RF switch |
-0.7dB (1000 MHz) |
30.dBm (2000 MHz) |
|
-0.8dB (2000 MHz) |
||||
-1.6dB (6000 MHz) |
LimePSB RPCM RF front end uses same design as Front End Adapter, except PA part was changed. For more information about the design look into XTRX documentation [4].
USB Subsystem
LimePSB RPCM contains USB2.0 hub, over current protection, type-C, double type-A sockets and headers. USB sockets and header has independent current limit power switches. The USB subsystem diagram is as shown in Figure 7.
Figure 7 LimePSB RPCM v1.2 USB subsystem diagram
Main LimePSB RPCM board USB subsystem components:
USB type-C socket (J25) is primarily used as LimePSB RPCM one of power supply sources (for more information check section 2.15 Power Distribution). To enable RPi USB boot mount nRPIBOOT jumper on J12 pins 1-2 and mount a jumper on header J26 to switch Raspberry Pi USB from USB hub to USB C (more information check section 2.2 Raspberry Pi CM4/5 Configuration).
USB type-A dual sockets (J29) may be used to connect USB peripherals to the Raspberry Pi CM4/5.(USB 3.0 with CM5)
USB2.0 hub USB2517 (IC20) USB 2.0 hub expands Raspberry Pi CM4/5 USB port to dual USB socket (J29), header (J31) and mPCIe (J3). For more information check Table 11.
Current limit power switches for USB dual socket and header.
Pin |
Pin name |
Function [7] |
Schematic signal name |
Connector ID |
|---|---|---|---|---|
59/58 |
USBUP_DP/ USBUP_DM |
Root port |
USB_HUB_D0_P/ USB_HUB_D0_N |
Connected to CM4/5 USB via USB switch |
2/1 |
USBDN1_DP/ USBDN1_DM |
Downstream port |
USB_HUB_D1_P/ USB_HUB_D1_N |
J3 (mPCIe) |
4/3 |
USBDN2_DP/ USBDN2_DM |
Downstream port |
USB_HUB_D2_P/ USB_HUB_D2_N |
J29 (bottom) |
7/6 |
USBDN3_DP/ USBDN3_DM |
Downstream port |
USB_HUB_D3_P/ USB_HUB_D3_N |
J29 (top) |
9/8 |
USBDN4_DP/ USBDN4_DM |
Downstream port |
USB_HUB_D4_P/ USB_HUB_D4_N |
J27 (pins 5/3) |
12/11 |
USBDN5_DP/ USBDN5_DM |
Downstream port |
USB_HUB_D5_P/ USB_HUB_D5_N |
J27 (pins 6/4) |
54/53 |
USBDN6_DP/ USBDN6_DM |
Downstream port |
NC |
NC |
56/55 |
USBDN7_DP/ USBDN7_DM |
Downstream port |
NC |
NC |
Dual USB 3.0 socket (J29) and header (J27) have over current protection. Current limit is set to 600 mA. Both sockets share same protection circuitry so if one of them tries to draw more current both sockets will be disabled. Header has it is own separate over current protection.
User Interface Components
LimePSB RPCM board features button, buzzer, 5 dual colour (red and green (RG)) LEDs, 1 green indication LED and 2 Ethernet activity LEDs (yellow and green). All board user interface components are highlighted in Figure 8.
Figure 8. LimePSB RPCM v1.2 user interface components
Dual color LEDs (LED1-LED4) are connected to shift register (IC14). Their function may be programmed according to the user requirements. Dual color LED5 indicates Raspberry Pi status. Green LED6 indicates board power. These LEDs are mounted on the front side of the board. Ethernet connector J9 has two LEDs: yellow and green. LEDs indicate wired network activity and speed.
Default function of LEDs and related information is listed in Table 12.
Board Reference |
Schematic name |
Shift register (IC14) pin |
Description |
LED1 |
RPI_LED1_R |
Q0 |
User defined. |
RPI_LED1_G |
Q1 |
||
LED2 |
RPI_LED2_R |
Q2 |
User defined. |
RPI_LED2_G |
Q3 |
||
LED3 |
RPI_LED3_R |
Q4 |
User defined. |
RPI_LED3_G |
Q5 |
||
LED4 |
RPI_LED4_R |
Q6 |
User defined. |
RPI_LED4_G |
Q7 |
||
LED5 |
RPI_STATUS_LED_R |
Green is connected to CM4 PI_LED_nPWR (Power On) and red is connected to Pi_nLED_Activity (Activity). |
|
RPI_STATUS_LED_G |
|||
LED6 |
VCC3P3 |
Board power. Connected to 3.3 V power rail |
|
Ethernet connector J9 LEDs |
ETH_LED_Y |
Green is connected to Ethernet_nLED2 (Ethernet speed indicator: 1Gbit or 100Mbit Link) and yellow is connected to Ethernet_nLED3 (Ethernet activity indicator). |
|
ETH_LED_G |
A user button (BTN1) and buzzer (BZ1) are mounted on the front side of the board and can be used for various purposes. The button is connected to Raspberry Pi CM4/5 GPIO24, has external pull up resistors and is hardware debounced. Buzzer control circuit is connected to GPIO5.
SPI, I2C, UART Interfaces
LimePSB RPCM features multiple low speed interfaces like SPI (SPI0, SPI1), I2C, UART. LimePSB RPCM low speed interfaces signal names, I/O standards are listed in Table 13.
Interface |
Schematic signal name |
CM4/5 pin |
I/O standard |
Comment |
|---|---|---|---|---|
SPI0 |
RPI_SPI0_SCLK |
38 (GPIO11) |
3.3V |
Serial Clock (CM4/5 output) |
RPI_SPI0_MOSI |
44 (GPIO10) |
3.3V |
Data (CM4/5 output) |
|
RPI_SPI0_MISO |
40 (GPIO9) |
3.3V |
Data (CM4/5 input) |
|
RPI_SPI0_SS0 |
39 (GPIO8) |
3.3V |
IC33 and IC36 DACs SPI slave select (CM4/5 output) |
|
RPI_SPI0_SS1 |
37 (GPIO7) |
3.3V |
IC34 phase detector SPI slave select (CM4/5 output) |
|
SPI1 |
RPI_SPI1_SCLK |
25 (GPIO21) |
3.3V |
Serial Clock (CM4/5 output) |
RPI_SPI1_MOSI |
27 (GPIO20) |
3.3V |
Data (CM4/5 output) |
|
RPI_SPI1_MISO |
26 (GPIO19) |
3.3V |
Data (CM4/5 input) |
|
RPI_SPI1_SS0 |
49 (GPIO18) |
3.3V |
IC8 ADC SPI slave select (CM4/5 output) |
|
RPI_SPI1_SS1 |
50 (GPIO17) |
3.3V |
IC15 AND IC17 Shift registers SPI slave select (CM4/5 output) |
|
I2C0 |
RPI_I2C0_SCL |
80 |
3.3V |
Serial Clock (CM4/5 output) |
RPI_I2C0_SDA |
82 |
3.3V |
Data |
|
UART0 |
RPI_UART0_RX |
51 (GPIO15) |
3.3V |
Data (CM4/5 input) |
RPI_UART0_TX |
55 (GPIO14) |
3.3V |
Data (CM4/5 output) |
RPI_I2C0 interface devices, addresses and other info are shown in Table 14.
RPI_I2C0 slave device |
Slave device |
I2C address |
I/O standard |
Comment |
|---|---|---|---|---|
IC9 |
Temperature sensor |
1 0 0 1 0 0 0 RW |
3.3V |
LM75 |
IC10(default)/IC11 |
EEPROM |
1 0 1 0 0 0 0 RW |
3.3V |
CAT24C128WI-GT3/M24128 |
IC13/IC14 |
secure key storage |
1 1 0 0 0 0 0 RW |
3.3V |
ATECC508A |
IC16/IC18 |
RTC |
1 0 1 0 0 0 1 RW |
3.3V |
PCF85063AT |
IC22/IC23 |
EEPROM for USB2.0 hub (NF) |
1 0 1 0 0 0 0 RW |
3.3V |
M24C02/ AT24C02 |
IC12 |
FAN controller |
0 1 0 1 1 1 1 R/W |
3.3V |
EMC2301 |
IC51 |
USB PD controller |
0 0 0 1 0 0 0 RW |
3.3V |
CYPD3177-24LQXQT |
Front Display Connector
LimePSB RPCM board has 5-pin 0.1” pitch header J8 with friction lock (Molex 0022112052 [8]). It is dedicated for front display connection. Front display connector J8 contains signals for I2C interface, button and power rail. More detailed information about the front display connector is provided inTable 15.
J8 pin |
Schematic signal name |
Description |
|---|---|---|
1 |
GND |
Ground (0V) |
2 |
VCC3P3/VCC5P0 |
Power 3.3V (default) or 5V |
3 |
RPI_ID_SD |
I2C data |
4 |
RPI_ID_SC |
I2C clock |
5 |
RPI_BTN2 |
User button 2 (debounced) |
MIPI DSI Display and CSI Camera Connectors
LimePSB RPCM has two 15-pin FPC connectors for MIPI DSI display and MIPI CSI camera. MIPI DSI interface is used for connecting serial display. Detailed display 1 connector J15 pinout is as shown in Table 16.
Pin |
Schematic signal name |
Description [1], [2] |
|---|---|---|
1 |
GND |
Ground (0V) |
2 |
DSI1_D1_N |
Output Display1 D1 negative |
3 |
DSI1_D1_P |
Output Display1 D1 positive |
4 |
GND |
Ground (0V) |
5 |
DSI1_CLK_N |
Output Display1 clock negative |
6 |
DSI1_CLK_P |
Output Display1 clock positive |
7 |
GND |
Ground (0V) |
8 |
DSI1_D0_N |
Output Display1 D2 negative |
9 |
DSI1_D0_P |
Output Display1 D2 positive |
10 |
GND |
Ground (0V) |
11 |
RPI_I2C0_SCL |
I2C clock |
12 |
RPI_I2C0_SDA |
I2C data |
13 |
GND |
Ground (0V) |
14 |
VCC3P3 |
3.3V power rail |
15 |
VCC3P3 |
3.3V power rail |
MIPI CSI interface is used for serial camera. Detail camera 1 connector J16 pinout is as shown in Table 17.
Pin |
Schematic signal name |
Description [1], [2] |
|---|---|---|
1 |
GND |
Ground (0V) |
2 |
CAM1_D0_N |
Input Camera1 D0 negative |
3 |
CAM1_D0_P |
Input Camera1 D0 positive |
4 |
GND |
Ground (0V) |
5 |
CAM1_D1_N |
Input Camera1 D1 negative |
6 |
CAM1_D1_P |
Input Camera1 D1 positive |
7 |
GND |
Ground (0V) |
8 |
CAM1_CLK_N |
Input Camera1 clock negative |
9 |
CAM1_CLK_P |
Input Camera1 clock positive |
10 |
GND |
Ground (0V) |
11 |
CAM1_GPIO0 |
Typically used to shut down the camera |
12 |
CAM1_GPIO1 |
NC |
13 |
RPI_I2C0_SCL |
I2C clock |
14 |
RPI_I2C0_SDA |
I2C data |
15 |
VCC3P3 |
3.3V power rail |
HMDI, Ethernet Connectors and uSD Socket
LimePSB RPCM board features 2 vertically mounted full-size HDMI 2.0 connectors (J30 and J31). Data signals are directly connected between Raspberry Pi CM4/5 TMDS interfaces and HDMI connectors. 5V power for HDMI connectors is supplied via a current-limited switch (IC28).
LimePSB RPCM board also features Gigabit Ethernet and power over Ethernet (PoE) capable RJ45 connector (J9).
For Raspberry Pi CM4/5L module (Raspberry Pi CM4 without eMMC Flash memory) microSD card push-push socket (J7) must be used along with the appropriate uSD card.
GPIO Connector
Some Raspberry Pi Compute Module 4/5 GPIOs are connected to 20 pin 0.1” J10 header. Seceral pins of this connector are dedicated for power (1 pin for 3.3 V and 2 pins for 5V). GPIO header pins (J10) and additional information is given in Table 18.
Connector pin |
Schematic signal name |
CM4/5 pin |
I/O standard |
Comment |
|---|---|---|---|---|
1 |
VCC3P3 |
3.3V |
3.3V power rail |
|
2 |
VCC5P0 |
5.0V |
5.0V power rail |
|
3 |
RPI_GPIO22 |
GPIO22 |
3.3V |
General purpose |
4 |
VCC5P0 |
5.0V |
5.0V power rail |
|
5 |
RPI_GPIO27 |
GPIO27 |
3.3V |
General purpose |
6 |
GND |
Ground (0V) |
||
7 |
GND |
Ground (0V) |
||
8 |
RPI_UART0_TX |
GPIO14 |
3.3V |
General purpose configured as UART output |
9 |
RPI_SPI0_MOSI |
GPIO10 |
3.3V |
General purpose configured as SPI output |
10 |
RPI_UART0_RX |
GPIO15 |
3.3V |
General purpose configured as UART input |
11 |
RPI_SPI0_MISO |
GPIO9 |
3.3V |
General purpose configured as SPI input |
12 |
GND |
Ground (0V) |
||
13 |
RPI_SPI0_SCLK |
GPIO11 |
3.3V |
General purpose configured as SPI clock |
14 |
GND |
Ground (0V) |
||
15 |
RPI_GPIO2 |
GPIO2 |
3.3V |
General purpose |
16 |
RPI_GPIO4 |
GPIO4 |
3.3V |
General purpose |
17 |
RPI_ID_SD |
ID_SD |
3.3V |
I2C interface SDfor HATs (ID EEPROM) |
18 |
RPI_ID_SC |
ID_SC |
3.3V |
I2C interface SC for HATs (ID EEPROM) |
19 |
GND |
Ground (0V) |
||
20 |
GND |
Ground (0V) |
Board Temperature Control
LimePSB RPCM board has two dedicated 0.1” pitch headers J23 and J24 for fans. Header J23 is standard 4-pin fan header while J24 is 2-pin header. Fan control voltage is VCC_IN (12V) by default, but it may be changed to 3.3V or 5V by resistors. Fan power may be controlled from shift register (IC17) output Q7 (FAN_CTRL), directly from temperature sensor IC9 pin 3 (LM75_OS) or by FAN controller (IC12) (default). 4 pin FAN connector (J23) is compatible with 3 pin fans. PWM signal from FAN controller (IC12) can be used to control fan speed by switching MOSFET (VT2) if R88 is fitted (default). If 4 pin fan is used remove R88 and fit R73 to route PWM signal to the connectors 4th pin also fit R82.
Clock Distribution Network
LimePSB RPCM board clock network comprises of on-board voltage controlled crystal oscillators, phase detector, clock buffer, reference clock input and output connectors and clock source selection pin headers. Board clock distribution block diagram is as shown in Figure 9.
Figure 9. LimePSB RPCM v1.2 board clock distribution block diagram
LimePSB RPCM board distributes reference clock to and from Raspberry Pi Compute Module 4/5, mini PCIe connector and external sources. It is possible to connect external reference clock and PPS signals to and from another boards or systems via J32 (EXT_SYNC_IN) and J35 (EXT_SYNC_OUT) connectors thus synchronizing multiple systems. Clock path may be configured using jumpers and resistors as described in Table 19.
Schematic ID |
Input signal |
Output signal |
Description |
|---|---|---|---|
J36 |
EXT_SYNC_IN |
REF_CLK_IN |
Phase detector (IC34) input selection |
RPI_SYNC_OUT |
|||
J37 |
RPI_SYNC_OUT |
PCIE_PPS_IN |
PPS signal source selection for mPCIe expansion boards |
EXT_SYNC_IN |
|||
J38 |
EXT_SYNC_IN |
RPI_SYNC_IN |
CM4/5 SYNC_IN synchronization input source selection |
PCIE_PPS_OUT |
|||
J39 |
EXT_SYNC_IN |
PCIE_UIMC4 |
Reference clock selection for mPCIE exanpsion board (XTRX) |
LMK_CLK_OUT2 |
|||
J34 |
RPI_SYNC_OUT |
EXT_SYNC_OUT |
Synchronization output signal selection |
PCIE_PPS_OUT |
|||
LMK_CLK_OUT3 |
|||
R153 |
PCIE_PPS_IN |
PCIE_COEX1 |
PPS signal output for mPCIE expansion board (XTRX) |
R4 |
PCIE_PPS_IN |
PCIE_PETn0 |
PPS signal output for mPCIE expansion board (LoRa Semtech) |
R2 |
PCIE_PPS_IN |
PCIE_COEX2 |
PPS signal output for mPCIE expansion board (LoRa n-Fuse) and PPS output for (XTRX) |
R3 |
PCIE_COEX2 |
PCIE_PPS_OUT |
PPS signal input from mPCIE expansion board (XTRX) |
R8 |
PCIE_SMB_CLK |
PCIE_PPS_OUT |
Clock signal input from mPCIE expansion board (XTRX) |
LimePSB RPCM board has several on-board crystal oscillator (XO) options that may be used as source for clock buffer LMK00101. By default voltage controlled oven compensated crystal oscillator (VCOCXO) XO1 is populated. Optional voltage controlled temperature compensated crystal oscillators XO2 – XO5 (VCTCXO) are not populated by default. All these XOs may be tuned by DAC (16-bit IC33 default or 8-bit IC36) or phase detector (IC34).
Clock network components are listed in Table 20.
Designator |
Function |
Part number |
Parameters |
Description |
|---|---|---|---|---|
XO1 |
VCOCXO |
U7475LF 30.72MHz |
30.72 MHz |
|
XO2 |
VCTCXO |
E6245LF 30.72 MHz |
30.72 MHz |
Not mounted |
XO3 |
E5280LF 30.72MHz |
30.72 MHz |
Not mounted |
|
XO4 |
RTX5032A, 40.00MHz |
40 MHz |
Not mounted |
|
XO5 |
ASVTX-12-A-38.400MHZ-H10-T |
38.4 MHz |
Not mounted |
|
IC33 |
DAC |
AD5662 |
16 Bit |
|
IC36 |
AD5601BKSZ-REEL7 |
8 Bit |
Not mounted |
|
IC31 |
Clock buffer |
LMK00105SQ/NOPB |
||
IC34 |
Phase detector |
ADF4002BCPZ-RL7 |
RPI_SYNC mux (IC35) is needed for CM4 and CM5 compatibility purposes.
Power Distribution
LimePSB RPCM board power delivery network consists of different power rails with different regulators, voltages and filters. LimePSB RPCM board power distribution block diagram is presented in Figure 10.
Figure 10. LimePSB RPCM v1.2 board power distribution block diagram
LimePSB RPCM board may be supplied from USB Type-C port (USB Power delivery), Ethernet RJ45 port (PoE) or barrel DC connector (9-14V):
USB Type-C socket (9-12V 2.5 A or 1.5 A) may be used to supply LimePSB RPCM board. In this case make sure that USB Power Delivery 18W or more power adapter is used. Depending on application board requested current from source may be lowered from 2.5A to 1.5A by changing SW1 bit 3 to ON position.
RJ45 socket is an alternative way to supply the LimePSB RPCM board. Make sure PoE+ (802.3at) class 4 compliant power source is used.
Barrel connector (9-14V 2A) also may be used to power LimePSB RPCM board.
To keep RTC running when board power is disconnected lithium coin cell 3V CR1220 battery must be inserted into BATT1 battery holder.
References
Raspberry Pi, Compute Module 4 datasheet. URL: https://datasheets.raspberrypi.com/cm4/cm4-datasheet.pdf
Raspberry Pi, Compute Module 5 datasheet. URL: https://datasheets.raspberrypi.com/cm5/cm5-datasheet.pdf
PCI Express Mini Card Electromechanical Specification Revision 1.2. URL: https://s3.amazonaws.com/fit-iot/download/facet-cards/documents/PCI_Express_miniCard_Electromechanical_specs_rev1.2.pdf
Lime Microsystems, LimeSDR-XTRX. URL: https://github.com/myriadrf
n-fuse, Concentrator Card LRWCCx-MPCIE for LoRaWAN technology. URL: https://www.n-fuse.co/devices/LoRaWAN-Concentrator-Card-mini-PCIe.html
Semtech, SX1303CTSXXXGW1, LoRa Corecell Gateway Reference Design for Fine Timestamp Based on SX1303 for LoRa Core. URL: https://www.semtech.com/products/wireless-rf/lora-core/sx1303ctsxxxgw1
Texas Instruments, TUSB2036 2- or 3-Port Hub for the Universal Serial Bus With Optional Serial EEPROM Interface. URL: https://www.ti.com/lit/ds/symlink/tusb2036.pdf
Molex, 0022112052, KK 254 Solid Header, Vertical, with Friction Lock, 5 Circuits, Gold (Au) Plating, Bag. URL: https://www.molex.com/molex/products/part-detail/pcb_headers/0022112052
Differencies from LimePSB RPCM v1.1
Changes introduction
LimeSDR-PSB RPCM v1.2 implementation is based on LimeSDR-KEY RPCM v1.1 board with the schematic and PCB Layout changes described in this document. The major changes were made to make the board compatible with Raspberry Pi CM4 and CM5 compute modules.
Minor Changes
Minor Changes:
Updated diagrams
Cosmetic changes (notes etc.)
Raspberry Pi Connector Changes
Added USB 3.0 (RPI_USB3) signals for RPi CM5 USB3 ports 0, 1 and added RPI_VBAT as shown in figure 11.
Figure 11. Raspberry Pi CM4/5 connector changes
Changed CM4/5 connector from DF40C-100DS-0.4V(51) to 10164227-1001A1RLF. New connector supports higher current (old 0.25A, new 0.3A per contact).
Connected analog mux 74LVC1G3157FZ4 between RPI_TVDAC and CVIDEO as shown in figure 12.
Figure 12. RPI_PIN11 analog mux
mPCIe Connector Changes
Connected RPI_PCIE_DET_nWAKE signal to mPCIe pin 1 via 0R resistor. Also added capacitor for PCIE_CLK signals because CM5 PCIe CLK signals are no longer capacitively coupled as shown in figure 13.
Figure 13. mPCIe connector changes
Miscellaneous changes
Changed RPI_SYNC_OUT voltage converters VCCA from VCC1P8_RPI to VCC3P3. Populated bypass resistors and voltage converters are no longer mounted (NF) in default BOM as shown in figure 14.
Figure 14. RPI_SYNC_OUT voltage converters changes
Changed SYS header (J12) pins:
Pin 11 connected to RPI_PIN11 instead of RPI_TVDAC
Pin 10 connected to RPI_RUN_PF instead of GND
New system header schematics are given in figure 15.
Figure 15. SYS header changes
Added 4 bit DIP switch to configure:
Bit 1 RPi boot source.
Bit 2 RPi USB 2.0 port mux control.
Bit 3 USB C PD current.
Bit 4 dual USB socket source.
New configuratio DIP switch schematics are shown in figure 16.
Figure 16. New 4 bit configuration DIP switch
Added possibility to connect RPI_VBAT to coin cell via not mouted (NF) 0R. Also added 0R for RPI_GLOBAL_EN (PMIC_ENABLE) as shown in figure 17.
Figure 17. New VBAT and RPI_GLOBAL_EN 0R resistors
Connected PTP_SYNC_SEL to shift register (SR1) pin Q6 as hsown in figure 18.
Figure 18. Shift register (SR1) changes
Fan control changes
Added EMC2301 fan controller as shown in figure 19.
Figure 19. New fan controller
ESDs changes
Added ESD for INT_TO_EXT SMA as shown in figure 20.
Figure 20. New INT_TO EXT ESD protection
Added extra ESD for HDMI (CM5) as shown in figure 21.
Figure 21. New HDMI ports ESD protection
Added ESDs for Dual USB 3.0 socket as shown in figure 22.
Figure 22. New Dual USB 3.0 ESD protection
Fitted ESDs on RF ports as shown in figure 23.
Figure 23. New RF ports ESD rotection
USB changes
Changed USB switch FSUSB42UMX to NX3DV42GU,115 due stock absence. RPI boot header is no longer mounted (NF) since RPI boot source can be configured from new configuration DIP switch. New USB switch schematics are shown in figure 24.
Figure 24. USB switch changes
Added bypass option for USB_HUB_D0 and PCIE_USB port as shown in figure 25.
Figure 25. New USB_HUB_D0 and PCIE_USB bypass option
Changed USB 2.0 dual socket to USB 3.0 socket as shown in figure 26. CM5 module offers USB 3.0 ports.
Figure 26. New dual USB3 socket changes
Connected RPI_VBUS_EN IC24 as optional EN control source as shown in figure 27.
Figure 27. RPI_VBUS_EN connection changes
Added USB switches for USB3 socket to switch dual USB socket between USB2.0 hub and CM5 USB3.0 lines as shown in figure 28.
Figure 28. USB 2.0 and 3.0 switches changes
XO DAC and ADC reference source changes
Populated 2.5V voltage reference for XO DAC and DAC as shown in figure 29.
Figure 29. New 2.5V reference source
Selected VCC2P5_VREF as source for ADC (R48 fit, R45, R49, C34, C35 NF) as shwn in figure 30.
Figure 30. ADC VREF source changes
Selected VCC2P5_VREF as source for XO DAC (R165 fit, R166, R172, C139, C140 NF) as shown in figure 31. Also possibility to hard enable OE with resistors is left.
Figure 31. DAC VREF source changes
RFFE changes
PA changed from SBB-5089 to TQP3M9018. Also inductor added for low frequency range. New RF PA schematic are shown in figure 32.
Figure 32. RFFE changes
PCB changes
Layout and PCB changes for LimePSB-RPCM v1.2 board are as follows:
Passive components moved from under RPi CM4/5
Changes made according to schematic
Figure 33. LimePSB RPCM v1.2 board top view
Figure 34. LimePSB RPCM v1.2 board bottom view